我公司還提供其他類型的糖機鏈,材質也采用不銹鋼和合金鋼組合,對零件表面、銷軸、套筒和滾子做了強化處理,鏈條耐腐蝕、耐沖擊和耐磨性很高,節距從77.9MM到152.4MM,Min抗拉強度可以從267KN到490kn。

| Chain No. | Pitch P (mm) | Cast chain link | Pin | Sidebar | Min. tensile strength Q (KN) | Rated working load (KN) | Weight per meter q (kg/m) | |||||
| b1 (min.) (mm) | b2 (max.) (mm) | D (max.) (mm) | d (mm) | L1 (mm) | L2 (mm) | h (mm) | T (mm) | |||||
| 152.4 | 73 | 111.5 | 48.5 | 25.4 | 75 | 90 | 50.8 | 12.7 | 267 | 44.45 | 21.49 | |

| Chain No. | Pitch P (mm) | Inner width of inner link b1 (min.) (mm) | Outer diameter of roller D (max.) (mm) | Pin | Sidebar | Min. tensile strength Q (KN) | Rated working load (KN) | Weight per meter q (kg/m) | |||||
| d (mm) | L1 (mm) | L2 (mm) | h (mm) | h1 (mm) | R (mm) | t/T (mm) | |||||||
| 152.4 | 37.7 | 69.85 | 18.9 | 44.9 | 49.4 | 50.8 | 7.87 | 266.7 | 9.5 | 311 | 28.23 | 16.86 | |


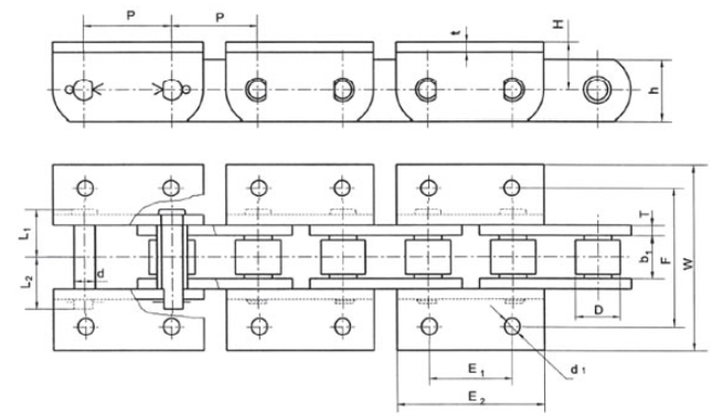
| H(mm) | E1(mm) | E2(mm) | d1(mm) | F(mm) | W(mm) |
| 44.5 | 76.2 | 135 | 14.3 | 127 | 170 |
| Chain No. | Pitch P (mm) | Inner width of inner link b1 (min.) (mm) | Outer diameter of roller D (max.) (mm) | Pin | Sidebar | Min. tensile strength Q (min.) (KN) | Rated working load (KN) | Weight Per meter q (kg/m) | |||
| d (mm) | L1 (mm) | L2 (mm) | h (mm) | t/T (mm) | |||||||
| 77.9 | 39.5 | 41.4 | 19.05 | 44.4 | 43.4 | 57 | 9.5 | 490 | 26.73 | 23.03 | |
Related Names
Surface Treated Metal Chain | Pallet Conveyor Chain | Solid Outside Bar Chain


